Sale
Eigenschaften:
Ø Innen
2.000 mm
Einbautiefe
-2.000 mm
Schwerstes Teil
4.320 kg
Gesamtgewicht
4.400 kg
Abdeckung Kl. A
1,5 t
✅ Kostenlose Lieferung, deutschlandweit!
✅ Einfache Montage & inkl. Versetzen mit LKW
✅ Langlebige Qualität mit 30 Jahren Garantie
2.350€ Ursprünglicher Preis war: 2.350€2.195€Aktueller Preis ist: 2.195€. inkl. MwSt
Experten Beratung:
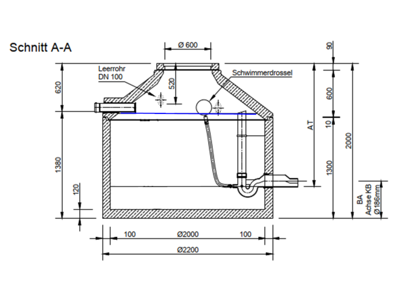
Eine Retentionszisterne 3.900 Liter ohne Zubehör ist die richtige Lösung, wenn du Regenwasser nicht nur speichern, sondern gezielt zurückhalten musst. Der große Vorteil für dich ist das du selbst entscheiden kannst, wie viel Wasser zurückgehalten wird und wie schnell es abfließen darf. Die passende Retentionsdrossel wird nach deiner Bestellung individuell abgestimmt und von uns manuell eingesetzt. So passt die Zisterne exakt zu den Vorgaben deiner Gemeinde und zu deinem Grundstück. Nicht umgekehrt.
Die massive Betonbauweise in C35/45 Qualität sorgt dabei für maximale Stabilität, absolute Dichtheit und eine Lebensdauer von mehreren Jahrzehnten. Ideal für Einfamilienhäuser, Neubauten und größere Grundstücke.
Entweder klären wir die beiden Parameter noch vor der Bestellung. Dazu können wir gerne eine Berechnung für dich machen. Wenn du diese Werte schon kennst, dann übermittle diese uns einfach in dem Notizfeld oder im Nachgang per Email.
Ablaufgeschwindigkeit in Liter pro Sekunde (Vorgabe von der Gemeinde)
Retentionsvolumen ist abhängig von der Dachfläche und der Ablaufgeschwindigkeit bzw. des Einbauortes
Göbeldeckel (Standard) | 5t
Kunststoffabdeckung | 5t
Abeckung Klasse B | 12,5t
Windrose (Guss) | 12,5tUm die Höhe der Zisterne an die Geländeoberkante anzupassen, können Schachtausgleichsringe verwendet werden. Diese Betonringe werden auf den bestehenden Schacht gesetzt und ermöglichen eine exakte Anpassung an das Bodenniveau. Je nach Bedarf können mehrere Ringe übereinander gestapelt werden, um die gewünschte Höhe zu erreichen.

Eine Betonzisterne ist für Retention besonders geeignet, weil sie auch bei dauerhaftem Wasserdruck formstabil bleibt. Im Gegensatz zu Kunststoff gibt es kein Verformen, kein Aufschwimmen und keine zusätzlichen Sicherungsmaßnahmen.
Die fugenlose Bauweise sorgt dafür, dass weder Wasser unkontrolliert austritt noch Fremdwasser eindringt. Genau das ist bei Retentionsanlagen entscheidend, denn hier geht es um kontrollierte Wassermengen und nicht um Zufall.
✅ Individuell abgestimmte Retentionsdrossel nach Bestellung
✅ Freie Wahl von Ablaufgeschwindigkeit und Retentionsvolumen
✅ Massive, fugenlose Betonbauweise
✅ Extrem langlebig und absolut dicht
✅ Keine Auftriebssicherung notwendig
✅ Vorbereitung für spätere Nachrüstung von Filter oder Pumpe
✅ 30 Jahre Garantie auf den Beton
✅ Lieferung und Versetzen inklusive
✅ Kostenlose Anlieferung bis zur Baustelle
Eine Retentionszisterne ist äußerst flexibel einsetzbar und kann auch zusätzlich zur Rückhaltung auch für verschiedene Zwecke genutzt werden:
Viele Bauherren stehen vor der Wahl zwischen einer Betonzisterne und einer Kunststoffzisterne. Hier sind einige Gründe, warum eine Zisterne aus Beton die bessere Wahl ist:
✔ Stabilität: Beton ist extrem robust und widerstandsfähig gegen Erdbewegungen, Wurzelwachstum und mechanische Belastung. Kunststoffzisternen können sich bei Druck verformen oder sogar an die Oberfläche gedrückt werden, wenn der Grundwasserspiegel steigt.
✔ Natürliche Kühlung: Beton hält das Wasser konstant kühl, wodurch die Bildung von Algen und Keimen reduziert wird.
✔ Kein zusätzliches Ballastmaterial nötig: Kunststoffzisternen müssen oft mit zusätzlichem Ballast gesichert werden, damit sie nicht „aufsteigen“. Bei einer Betonzisterne ist das durch das hohe Eigengewicht nicht nötig.
✔ Wartungsarm: Eine Zisterne aus Beton benötigt deutlich weniger Pflege und Wartung als Kunststoffmodelle.
Eine Retentionszisterne aus Beton erfordert eine fachgerechte Installation. Doch keine Sorge – die Lieferung und das Versetzen der Zisterne sind bereits inklusive! Das bedeutet, dass du dich nicht um das Heben und Positionieren kümmern musst. Du brauchst lediglich eine vorbereitete Baugrube, die den Maßen der Zisterne entspricht.
1️⃣ Baugrube ausheben – Die Grube sollte etwas größer als die Zisterne sein, um den Einbau zu erleichtern.
2️⃣ Zisterne wird geliefert & versetzt – Die kostenlose Lieferung bringt deine Zisterne aus Beton direkt zur Baustelle, wo sie mit einem Kran in die vorbereitete Grube gesetzt wird.
3️⃣ Anschlüsse verbinden – Die vorhandenen Zu- und Abläufe ermöglichen eine einfache Integration in dein Regenwassersystem.
4️⃣ Verfüllung & Inbetriebnahme – Sobald die Zisterne sicher sitzt, wird der Bereich mit geeignetem Material verfüllt, und du kannst dein Regenwasser nutzen!
Eine Retentionszisterne ist eine Investition in eine nachhaltige und ressourcenschonende Wasserversorgung. Mit 30 Jahren Garantie, kostenfreier Lieferung und professionellem Versetzen bietet die Retentionszisterne 3.900l höchste Qualität und langfristigen Nutzen.
👉 Bestelle jetzt deine Zisterne aus Beton und nutze Regenwasser clever und effizient!
Eine Retentionszisterne 3.900 Liter ohne Zubehör ist die richtige Lösung, wenn du Regenwasser nicht nur speichern, sondern gezielt zurückhalten musst. Der große Vorteil für dich ist das du selbst entscheiden kannst, wie viel Wasser zurückgehalten wird und wie schnell es abfließen darf. Die passende Retentionsdrossel wird nach deiner Bestellung individuell abgestimmt und von uns manuell eingesetzt. So passt die Zisterne exakt zu den Vorgaben deiner Gemeinde und zu deinem Grundstück. Nicht umgekehrt.
Die massive Betonbauweise in C35/45 Qualität sorgt dabei für maximale Stabilität, absolute Dichtheit und eine Lebensdauer von mehreren Jahrzehnten. Ideal für Einfamilienhäuser, Neubauten und größere Grundstücke.
Entweder klären wir die beiden Parameter noch vor der Bestellung. Dazu können wir gerne eine Berechnung für dich machen. Wenn du diese Werte schon kennst, dann übermittle diese uns einfach in dem Notizfeld oder im Nachgang per Email.
Ablaufgeschwindigkeit in Liter pro Sekunde (Vorgabe von der Gemeinde)
Retentionsvolumen ist abhängig von der Dachfläche und der Ablaufgeschwindigkeit bzw. des Einbauortes
Göbeldeckel (Standard) | 5t
Kunststoffabdeckung | 5t
Abeckung Klasse B | 12,5t
Windrose (Guss) | 12,5tUm die Höhe der Zisterne an die Geländeoberkante anzupassen, können Schachtausgleichsringe verwendet werden. Diese Betonringe werden auf den bestehenden Schacht gesetzt und ermöglichen eine exakte Anpassung an das Bodenniveau. Je nach Bedarf können mehrere Ringe übereinander gestapelt werden, um die gewünschte Höhe zu erreichen.

Eine Betonzisterne ist für Retention besonders geeignet, weil sie auch bei dauerhaftem Wasserdruck formstabil bleibt. Im Gegensatz zu Kunststoff gibt es kein Verformen, kein Aufschwimmen und keine zusätzlichen Sicherungsmaßnahmen.
Die fugenlose Bauweise sorgt dafür, dass weder Wasser unkontrolliert austritt noch Fremdwasser eindringt. Genau das ist bei Retentionsanlagen entscheidend, denn hier geht es um kontrollierte Wassermengen und nicht um Zufall.
✅ Individuell abgestimmte Retentionsdrossel nach Bestellung
✅ Freie Wahl von Ablaufgeschwindigkeit und Retentionsvolumen
✅ Massive, fugenlose Betonbauweise
✅ Extrem langlebig und absolut dicht
✅ Keine Auftriebssicherung notwendig
✅ Vorbereitung für spätere Nachrüstung von Filter oder Pumpe
✅ 30 Jahre Garantie auf den Beton
✅ Lieferung und Versetzen inklusive
✅ Kostenlose Anlieferung bis zur Baustelle
Eine Retentionszisterne ist äußerst flexibel einsetzbar und kann auch zusätzlich zur Rückhaltung auch für verschiedene Zwecke genutzt werden:
Viele Bauherren stehen vor der Wahl zwischen einer Betonzisterne und einer Kunststoffzisterne. Hier sind einige Gründe, warum eine Zisterne aus Beton die bessere Wahl ist:
✔ Stabilität: Beton ist extrem robust und widerstandsfähig gegen Erdbewegungen, Wurzelwachstum und mechanische Belastung. Kunststoffzisternen können sich bei Druck verformen oder sogar an die Oberfläche gedrückt werden, wenn der Grundwasserspiegel steigt.
✔ Natürliche Kühlung: Beton hält das Wasser konstant kühl, wodurch die Bildung von Algen und Keimen reduziert wird.
✔ Kein zusätzliches Ballastmaterial nötig: Kunststoffzisternen müssen oft mit zusätzlichem Ballast gesichert werden, damit sie nicht „aufsteigen“. Bei einer Betonzisterne ist das durch das hohe Eigengewicht nicht nötig.
✔ Wartungsarm: Eine Zisterne aus Beton benötigt deutlich weniger Pflege und Wartung als Kunststoffmodelle.
Eine Retentionszisterne aus Beton erfordert eine fachgerechte Installation. Doch keine Sorge – die Lieferung und das Versetzen der Zisterne sind bereits inklusive! Das bedeutet, dass du dich nicht um das Heben und Positionieren kümmern musst. Du brauchst lediglich eine vorbereitete Baugrube, die den Maßen der Zisterne entspricht.
1️⃣ Baugrube ausheben – Die Grube sollte etwas größer als die Zisterne sein, um den Einbau zu erleichtern.
2️⃣ Zisterne wird geliefert & versetzt – Die kostenlose Lieferung bringt deine Zisterne aus Beton direkt zur Baustelle, wo sie mit einem Kran in die vorbereitete Grube gesetzt wird.
3️⃣ Anschlüsse verbinden – Die vorhandenen Zu- und Abläufe ermöglichen eine einfache Integration in dein Regenwassersystem.
4️⃣ Verfüllung & Inbetriebnahme – Sobald die Zisterne sicher sitzt, wird der Bereich mit geeignetem Material verfüllt, und du kannst dein Regenwasser nutzen!
Eine Retentionszisterne ist eine Investition in eine nachhaltige und ressourcenschonende Wasserversorgung. Mit 30 Jahren Garantie, kostenfreier Lieferung und professionellem Versetzen bietet die Retentionszisterne 3.900l höchste Qualität und langfristigen Nutzen.
👉 Bestelle jetzt deine Zisterne aus Beton und nutze Regenwasser clever und effizient!
Eine Retentionszisterne 3.900 Liter ohne Zubehör ist die richtige Lösung, wenn du Regenwasser nicht nur speichern, sondern gezielt zurückhalten musst. Der große Vorteil für dich ist das du selbst entscheiden kannst, wie viel Wasser zurückgehalten wird und wie schnell es abfließen darf. Die passende Retentionsdrossel wird nach deiner Bestellung individuell abgestimmt und von uns manuell eingesetzt. So passt die Zisterne exakt zu den Vorgaben deiner Gemeinde und zu deinem Grundstück. Nicht umgekehrt.
Die massive Betonbauweise in C35/45 Qualität sorgt dabei für maximale Stabilität, absolute Dichtheit und eine Lebensdauer von mehreren Jahrzehnten. Ideal für Einfamilienhäuser, Neubauten und größere Grundstücke.
Entweder klären wir die beiden Parameter noch vor der Bestellung. Dazu können wir gerne eine Berechnung für dich machen. Wenn du diese Werte schon kennst, dann übermittle diese uns einfach in dem Notizfeld oder im Nachgang per Email.
Ablaufgeschwindigkeit in Liter pro Sekunde (Vorgabe von der Gemeinde)
Retentionsvolumen ist abhängig von der Dachfläche und der Ablaufgeschwindigkeit bzw. des Einbauortes
Göbeldeckel (Standard) | 5t
Kunststoffabdeckung | 5t
Abeckung Klasse B | 12,5t
Windrose (Guss) | 12,5tUm die Höhe der Zisterne an die Geländeoberkante anzupassen, können Schachtausgleichsringe verwendet werden. Diese Betonringe werden auf den bestehenden Schacht gesetzt und ermöglichen eine exakte Anpassung an das Bodenniveau. Je nach Bedarf können mehrere Ringe übereinander gestapelt werden, um die gewünschte Höhe zu erreichen.

Eine Betonzisterne ist für Retention besonders geeignet, weil sie auch bei dauerhaftem Wasserdruck formstabil bleibt. Im Gegensatz zu Kunststoff gibt es kein Verformen, kein Aufschwimmen und keine zusätzlichen Sicherungsmaßnahmen.
Die fugenlose Bauweise sorgt dafür, dass weder Wasser unkontrolliert austritt noch Fremdwasser eindringt. Genau das ist bei Retentionsanlagen entscheidend, denn hier geht es um kontrollierte Wassermengen und nicht um Zufall.
✅ Individuell abgestimmte Retentionsdrossel nach Bestellung
✅ Freie Wahl von Ablaufgeschwindigkeit und Retentionsvolumen
✅ Massive, fugenlose Betonbauweise
✅ Extrem langlebig und absolut dicht
✅ Keine Auftriebssicherung notwendig
✅ Vorbereitung für spätere Nachrüstung von Filter oder Pumpe
✅ 30 Jahre Garantie auf den Beton
✅ Lieferung und Versetzen inklusive
✅ Kostenlose Anlieferung bis zur Baustelle
Eine Retentionszisterne ist äußerst flexibel einsetzbar und kann auch zusätzlich zur Rückhaltung auch für verschiedene Zwecke genutzt werden:
Viele Bauherren stehen vor der Wahl zwischen einer Betonzisterne und einer Kunststoffzisterne. Hier sind einige Gründe, warum eine Zisterne aus Beton die bessere Wahl ist:
✔ Stabilität: Beton ist extrem robust und widerstandsfähig gegen Erdbewegungen, Wurzelwachstum und mechanische Belastung. Kunststoffzisternen können sich bei Druck verformen oder sogar an die Oberfläche gedrückt werden, wenn der Grundwasserspiegel steigt.
✔ Natürliche Kühlung: Beton hält das Wasser konstant kühl, wodurch die Bildung von Algen und Keimen reduziert wird.
✔ Kein zusätzliches Ballastmaterial nötig: Kunststoffzisternen müssen oft mit zusätzlichem Ballast gesichert werden, damit sie nicht „aufsteigen“. Bei einer Betonzisterne ist das durch das hohe Eigengewicht nicht nötig.
✔ Wartungsarm: Eine Zisterne aus Beton benötigt deutlich weniger Pflege und Wartung als Kunststoffmodelle.
Eine Retentionszisterne aus Beton erfordert eine fachgerechte Installation. Doch keine Sorge – die Lieferung und das Versetzen der Zisterne sind bereits inklusive! Das bedeutet, dass du dich nicht um das Heben und Positionieren kümmern musst. Du brauchst lediglich eine vorbereitete Baugrube, die den Maßen der Zisterne entspricht.
1️⃣ Baugrube ausheben – Die Grube sollte etwas größer als die Zisterne sein, um den Einbau zu erleichtern.
2️⃣ Zisterne wird geliefert & versetzt – Die kostenlose Lieferung bringt deine Zisterne aus Beton direkt zur Baustelle, wo sie mit einem Kran in die vorbereitete Grube gesetzt wird.
3️⃣ Anschlüsse verbinden – Die vorhandenen Zu- und Abläufe ermöglichen eine einfache Integration in dein Regenwassersystem.
4️⃣ Verfüllung & Inbetriebnahme – Sobald die Zisterne sicher sitzt, wird der Bereich mit geeignetem Material verfüllt, und du kannst dein Regenwasser nutzen!
Eine Retentionszisterne ist eine Investition in eine nachhaltige und ressourcenschonende Wasserversorgung. Mit 30 Jahren Garantie, kostenfreier Lieferung und professionellem Versetzen bietet die Retentionszisterne 3.900l höchste Qualität und langfristigen Nutzen.
👉 Bestelle jetzt deine Zisterne aus Beton und nutze Regenwasser clever und effizient!

Deshalb erreichst du mich direkt für deine Fragen oder eine individuelle Beratung:
Toni Wiemann2024-05-28Die 5 Sterne sind fast zu wenig - man würde mehr verteilen wenn es möglich wäre. Vom ersten Kontakt und Angebotserstellung bis zur Vorbereitung und Ablauf der Lieferung, alles hat gepasst. Dazu unschlagbare Preis-Leistung und unkomplizierte Kommunikation - perfekt!
Ludwig Lämmerhofer2024-04-09Hat alles super geklappt.
Christopher G-king2024-03-21Kontakt war super. Fragen wurden schnell beantwortet, Lieferung war auch sehr und unkompliziert vom Fahrer umgesetzt. Kann ich nur empfehlen.
Hausner Tobias2024-03-19Wir sind zu 100% zufrieden. Super Service und fairer Preis.
Maximilian Meier2024-03-18Super schnelle Bearbeitung der Bestellung und sofortige Lieferung. Die beauftrage Spedition war pünktlich und hat das Setzten der Zisterne ohne Probleme durchgeführt. Ich war super zufrieden und würde sofort wieder auf www.wasserzisterne.de bestellen.
Scir occo2024-03-17Wir haben unsere Zisterne letzten Sommer erhalten. Trotz mehrerer Terminänderungen unsererseits war das Team um Herrn Hein sehr zuvorkommend. Vielen Dank.
Matthias Miethke2024-03-12Kontakt mit Händler, Terminierung, Lieferung, Fahrer inkl. Setzen der Zisterne kompetent und einwandfrei! Absolut empfehlenswert!
Tobias Müller2024-03-10Super Beratung per Telefon, Absprache und Lieferung.
Merima Hamzic2024-03-05Wir sind begeistert! Von der Betreuung bis zur Lieferung alles einwandfrei verlaufen. Besser hätte es nicht laufen können. Definitiv weiterzuempfehlen!!! Danke euch!

Deshalb erreichst du mich direkt für deine Fragen oder eine individuelle Beratung:
Seit 20 Jahren entwickle ich praxiserprobte Lösugen und gebe daher auch eine klare Handlungsempfehlug. Lass uns gemeinsam die beste Lösung für dich finden!
Du plansteineZisterne, aberfragst dich, wie der Einbaufunktioniert? In nur 90 Sekundenzeigenwirdir Schritt für Schritt, wie die Zisternesicher und effizienteingebautwird – von der Baugrube bis zum Anschluss. So bist du bestensvorbereitet!
Du willst Regenwasser nutzen, aber weißt nicht, welche Zisternengröße die richtige für dich ist? In diesem Video erfährst du, worauf es ankommt – von der Dachfläche bis zum Wasserverbrauch. So vermeidest du teure Fehlkäufe und findest die perfekte Lösung für dein Zuhause!
Regenwasser im Garten nutzen – aber wie? In diesem Video bekommst du eine klare Handlungsempfehlung zur perfekten Lösung: Welcher Filter ist der richtige? Welche Pumpe brauchst du? Welche Wasserzapfsäule ist sinnvoll? Zudem zeigen wir dir den kompletten Einbau Schritt für Schritt.
Betonzisterne 3900l ohne Zubehör
Betonzisterne 4700l ohne Zubehör
Betonzisterne 5800l ohne Zubehör
Betonzisterne 3900l ohne Zubehör
Betonzisterne 4700l ohne Zubehör
Betonzisterne 5800l ohne Zubehör
Am Forsthaus 9
87490 Haldenwang
|
Uploaded
Failed
|
![]() |